outlet OUTLET

promocje PROMOCJE

producenci PRODUCENCI

  • Kategorie
  • Uchwyt do głowic frezarskich DIN69893A HSK-A63 40x100mm; 42 16418 050 Forum

Symbol: 4216418050
826.60
826.60
SZT Do przechowalni
Wysyłka w ciągu 3 dni
Cena przesyłki 13.5
Odbiór osobisty - płatne przy odbiorze 0
Odbiór osobisty - przedpłata 0
Orlen paczka 13.5
Paczkomaty InPost 14.5
Przesyłka kurierska InPost 19
Przesyłka kurierska pobraniowa InPost 22.5
Przesyłka kurierska DPD 22.5
Przesyłka kurierska pobraniowa DPD 25
Dostępność Duża dostępność
Waga 1.2 kg
EAN 4317784753999

Wysyłka+2dni (dostawa 0 od 1000zł net.*)

Uchwyt do głowic frezarskich DIN69893A HSK-A63 40x100mm; 42 16418 050 Forum

  • Ze stopowej stali do nawęglania
  • Z otworami kanałów doprowadzających chłodziwo na powierzchni czołowej
  • Twardość po hartowaniu: 58±2 HRC, minimalna głębokość hartowania 0,5 mm
  • Wytrzymałość rdzenia na rozciąganie po hartowaniu ok. 950 N/mm²
  • Stożek DIN 254
  • Tolerancja kąta stożka: AT3
  • Bicie promieniowe ≤0,006mm
  • Dokładkość wyważenia G 6,3 przy 25000 min-1
  • Do mocowania narzędzi z rowkiem poprzecznym według DIN 1880

Dostawa: trzpień frezarski do głowic nasadzanych ze śrubą dociągającą

Dane techniczne:

  • Marka: Fortis
  • Nr artykułu: 4216418050
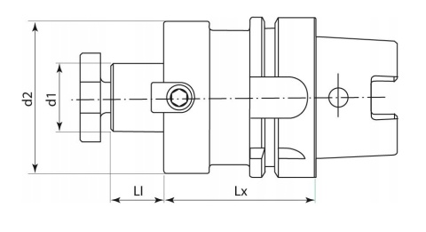
  • Chwyt stożkowy: HSK-A63
  • Średnica trzpienia (d1): 40mm
  • Długość trzpienia (l2): 27mm
  • Wysięg (l1): 100mm
  • Średnica odsadzenia (d2): 88mm

Dane producenta

E/D/E General
EDE Platz 1
42389 Wuppertal
Germany

+49 202 6096-0
webkontakt@ede.de

Nie ma jeszcze komentarzy ani ocen dla tego produktu.
  • Inni Klienci kupili również